Thanh thép góc
Thép góc có thể bao gồm nhiều thành phần chịu ứng suất khác nhau tùy theo nhu cầu khác nhau của kết cấu và cũng có thể được sử dụng làm đầu nối giữa các thành phần.
Nó được sử dụng rộng rãi trong các kết cấu xây dựng và kết cấu kỹ thuật khác nhau, như dầm nhà, cầu, tháp truyền tải, máy nâng và vận chuyển, tàu, lò công nghiệp, tháp phản ứng, giá đỡ container, kệ kho, v.v.
Sự miêu tả
Thép góc là loại thép kết cấu carbon được sử dụng trong xây dựng. Nó là một vật liệu thép có mặt cắt ngang đơn giản. Nó chủ yếu được sử dụng cho các thành phần kim loại và khung xây dựng nhà máy. Nó đòi hỏi khả năng hàn tốt, hiệu suất biến dạng dẻo và độ bền cơ học nhất định trong quá trình sử dụng. Phôi nguyên liệu thô để sản xuất thép góc là phôi thép vuông có hàm lượng carbon thấp và thép góc thành phẩm được cung cấp ở trạng thái cán nóng, thường hóa hoặc cán nóng.
Thuộc tính & Thông số kỹ thuật
Khả năng hàn tốt
Đặc tính biến dạng dẻo
Kích thước |
10*10mm-200*200mm |
Tiêu chuẩn |
GB ASTM, JIS, SUS, DIN, EN, v.v. |
Vật liệu |
Dòng Q195-Q420 |
Kỹ thuật |
cán nóng |
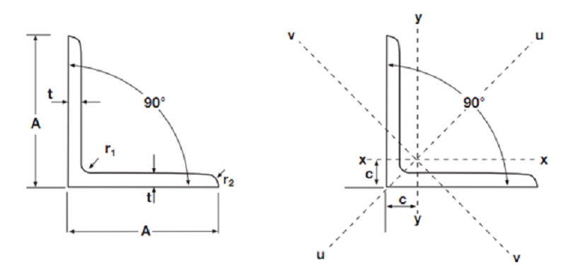
Các thông số kỹ thuật của thép góc thường được sử dụng được biểu thị bằng milimét với chiều rộng cạnh × chiều rộng cạnh × độ dày cạnh, chẳng hạn như "∟30×30×3", nghĩa là thép góc đều có chiều rộng cạnh 30 mm và độ dày cạnh 3 mm.
Nó chủ yếu được chia thành hai loại: thép góc đều và thép góc không đều. Trong số đó, thép góc không bằng nhau có thể được chia thành hai loại: các cạnh không bằng nhau và độ dày bằng nhau, và các cạnh không bằng nhau và độ dày không bằng nhau.
Các thông số kỹ thuật của thép góc được thể hiện bằng kích thước chiều dài cạnh và độ dày cạnh. Hiện nay, thông số kỹ thuật của thép góc trong nước dao động từ 2 đến 20, trong đó số cm chiều dài cạnh là số. Thép cùng góc thường có từ 2 đến 7 độ dày cạnh khác nhau.
Thông thường, những loại có chiều dài cạnh từ 1-2,5 cm trở lên là thép góc lớn, những loại có chiều dài cạnh 1-2,5 cm-5 cm là thép góc cỡ trung bình và những loại có chiều dài cạnh dưới 5 cm. là thép góc nhỏ.
Chiều dài phân phối của thép góc được chia thành hai loại: chiều dài cố định và chiều dài gấp đôi. Phạm vi lựa chọn chiều dài cố định của thép góc trong nước dao động từ 3 đến 9 m tùy thuộc vào số thông số kỹ thuật.
Bốn phạm vi: 4-12m, 4-19m, 6-19m.
Chiều cao mặt cắt ngang của thép góc không đều được tính theo chiều rộng cạnh dài của thép góc không đều.
Đóng gói & Giao hàng




